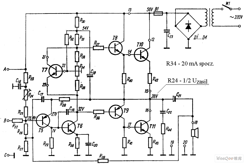
ZEN 的耳机功放电路
出处:SINHWA 发布于:2007-09-20 00:00:00 | 3503 次阅读
以上是ZEN的耳放电路,也是近年来在国内的烧友乐于制作并且据说是用来练听耳朵的一款电路,并且有做成PCB板在网上供应给爱好者组装,笔者没有亲自实践,但是有机会找到元件后想试一试。
上一篇:uPC1335V功放电路
下一篇:采用音量集成放大器的4w功放电路
版权与免责声明
凡本网注明“出处:维库电子市场网”的所有作品,版权均属于维库电子市场网,转载请必须注明维库电子市场网,//fzqkw.cn,违反者本网将追究相关法律责任。
本网转载并注明自其它出处的作品,目的在于传递更多信息,并不代表本网赞同其观点或证实其内容的真实性,不承担此类作品侵权行为的直接责任及连带责任。其他媒体、网站或个人从本网转载时,必须保留本网注明的作品出处,并自负版权等法律责任。
如涉及作品内容、版权等问题,请在作品发表之日起一周内与本网联系,否则视为放弃相关权利。











