数码预置电路以及128键的键盘扫描电路图
出处:oldli 发布于:2011-01-13 00:00:00 | 7338 次阅读
数码预置电路
该电路的功能是把按键信号变换成2位,并存储下来。图1为该编码及存储电路的逻辑图。

键盘扫描电路
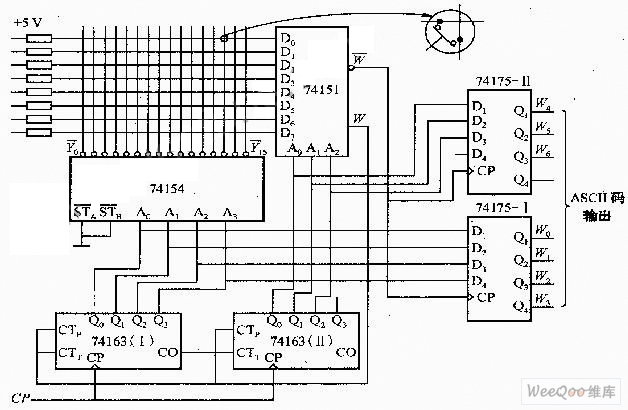
在上例中,键盘规模较小,仅有0-9十个键。如果键盘规模较大,则用优先等组合元件来实现编码将是不经济的。为此人们设计了键盘扫描电路。图2给出了128键的扫描编码器。

上一篇:放大电路图(带负反馈)
下一篇:MAX1848的应用电路图
版权与免责声明
凡本网注明“出处:维库电子市场网”的所有作品,版权均属于维库电子市场网,转载请必须注明维库电子市场网,//fzqkw.cn,违反者本网将追究相关法律责任。
本网转载并注明自其它出处的作品,目的在于传递更多信息,并不代表本网赞同其观点或证实其内容的真实性,不承担此类作品侵权行为的直接责任及连带责任。其他媒体、网站或个人从本网转载时,必须保留本网注明的作品出处,并自负版权等法律责任。
如涉及作品内容、版权等问题,请在作品发表之日起一周内与本网联系,否则视为放弃相关权利。











