专业解读:高、低电流检测电路设计的关键要点与方案
出处:网络整理 发布于:2025-06-18 14:41:36 | 233 次阅读
感测电阻的选择
一般来说,使用电流通过时压降为数十 mV~数百 mV 的电阻值。在电流检测中,低电阻器的选择因检测电流大小而异。检测数十 A 的大电流时,需要数 mΩ 的极小电阻值,此时以小电阻值见长的金属板型和金属箔型低电阻器比较常用;而小电流则是通过数百 mΩ~数 Ω 的较大电阻值进行检测。
电流感测位置
测量电流时,通常会将电阻放在电路中的两个位置。第一个位置是放在电源与负载之间,这种测量方法称为高侧感测;第二个位置是放在负载和接地端之间,这种电流感测方法称为低侧电流感测。
电流设计方案 (一)
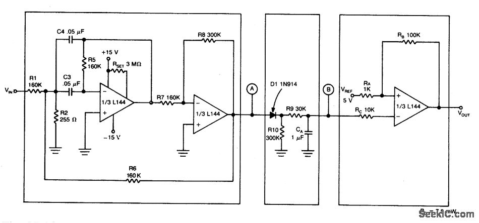
电流检测电路设计方案 (二)
传统的高端 / 低端检流方式绝大多数基于分立或半分立元件电路。高端检流电路通常需要用一个精密运放和一些精密,最常用的高端检流电路采用差分运放做增益放大并将信号电平从高端移位到参考地。

该方案已广泛应用于实际系统中,但存在三个主要缺点:
版权与免责声明
凡本网注明“出处:维库电子市场网”的所有作品,版权均属于维库电子市场网,转载请必须注明维库电子市场网,//fzqkw.cn,违反者本网将追究相关法律责任。
本网转载并注明自其它出处的作品,目的在于传递更多信息,并不代表本网赞同其观点或证实其内容的真实性,不承担此类作品侵权行为的直接责任及连带责任。其他媒体、网站或个人从本网转载时,必须保留本网注明的作品出处,并自负版权等法律责任。
如涉及作品内容、版权等问题,请在作品发表之日起一周内与本网联系,否则视为放弃相关权利。













