开云十大最新推荐

当前位置:维库电子市场网>IC>lm109 更新时间:2025-06-26 05:19:32

lm109供应商优质现货

更多>
  • 供应商
  • 产品型号
  • 服务标识
  • 数量
  • 厂商
  • 封装/批号
  • 说明
  • 询价
  • lm109

  • BOM配单
  • 您身边的实力现货代理分销商!

  • 上传BOM

  • LM109

  • 品牌专营
  • 5251

  • TI

  • TO TO3/2023+

  • 原装正品渠道货源

  • LM109H/883Q

  • 优势
  • 3034

  • NS

  • -/1943

  • 真实原装现货,军工优势库位北京

  • LM109K STEEL/NOPB

  • 优势
  • 12800

  • TI/德州仪器

  • TOCAN2/25+23+

  • 原装正规渠道优势商/全新进口深圳现货原盒原包

  • LM109

  • 65286

  • TI

  • -/21+

  • 全新原装现货,长期供应,免费送样

  • LM109

  • 2000

  • TI(德州仪器)

  • SMDDIP/2022+

  • 只做原装 TI现货服务商

  • LM109

  • 8391

  • TI

  • TO TO3/22+

  • 特价现货,提供BOM配单服务

  • LM109

  • 8700

  • TI

  • TO TO3/23+

  • 原装现货

  • LM109

  • 21800

  • TI

  • TO TO3/23+

  • 现货库存,如实报货,价格优势,一站式配套服务

  • LM109

  • 2000

  • TI

  • TO TO3/2024+

  • 原厂原装现货库存支持当天发货

  • LM109

  • 62416

  • TI

  • TO TO3/25+

  • 原装认证有意请来电或QQ洽谈

  • LM109

  • 60701

  • TI

  • TO TO3/24+

  • 深圳原装现货,可看货可提供拍照

  • LM109

  • 6608

  • TI

  • TO TO3/2024+

  • 现货假一罚万只做原装现货

  • LM109

  • 3000

  • TI

  • TO TO3/N/A

  • 原装正品热卖,价格优势

  • LM109

  • 48000

  • TI

  • TO TO3/24+

  • 原装现货,可开专票,提供账期服务

  • LM109

  • 6500

  • TI

  • TO TO3/2019+

  • 原装配单

  • LM109

  • 73828

  • NS

  • TO3P/21+

  • 低价出售原装现货可看货假一罚十

  • LM109

  • 5000

  • TI

  • TO TO3/23+

  • 优势产品大量库存原装现货

  • LM109

  • 15800

  • TI

  • TO TO3/24+

  • 旋尔只做进口原装,假一赔十...

  • LM109

  • 62416

  • TI

  • TO TO3/25+

  • 原装认证有意请来电或QQ洽谈

  • LM109

  • 4394

  • -

  • -/-

  • 原装 部分现货量大期货

lm109价格行情

更多>

历史最低报价:¥0.0000 历史最高报价:¥0.0000 历史平均报价:¥0.0000

lm109中文资料

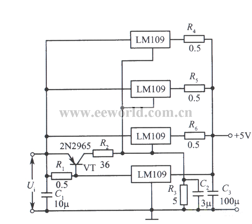
  • 基于LM109的三端可调稳压电路

    本电路采用lm109作为主控芯片,通过调节r2的电阻,可以控制lm109芯片3脚的电压值大小,从而控制2脚输出电压值的大小。 来源:朦烟

  • 双-5.2V和+15V电路

    双-5.2v和+15v电路 该电路输出电压等于稳压器集成电路预设值,基本排列如图所示。当常见负载通过电源是,r1和d1确保lm109启动正常。d1应为锗或肖特基,正向电压下降,为0.4v或更低,或电流为50ma。 来源:zhenglili

lm109替代型号

LM1086-3.3 LM1086 LM1085S-3.3 LM1085-ADJ LM1085 LM1084IT LM1084-5.0 LM1084 LM108 LM107H/883

LM10CN LM10V332 LM11 LM110 LM1101 LM110J LM111 LM1117 LM1117-1.8 LM1117-1.8V

相关搜索:
lm109相关热门型号
LBC817-16LT1G LM3420AM5X-4.2 LP2985AIM5-3.3/NOPB LP2985A-33DBVR LP3401LT1G LM1086IS-3.3 LM319MX LBZX84C15LT1G LM6361MX LP3301SJ5F

快速导航


发布求购
OEM清单文件: OEM清单文件
*公司名:
*联系人:
*手机号码:
QQ:
有效期:

扫码下载APP,
 一键连接广大的电子世界。

在线人工客服

买家服务:
卖家服务:
技术客服:

0571-85317607

网站技术支持

13606545031

客服在线时间周一至周五
9:00-17:30 

关注官方微信号,
第一时间获取资讯。

建议反馈
返回顶部

建议反馈

联系人:

联系方式:

按住滑块,拖拽到最右边
>>
感谢您向阿库提出的宝贵意见,您的参与是维库提升服务的动力!意见一经采纳,将有感恩红包奉上哦!