MAX71617ECD+
468
QFP100/23+
原装现货,高端渠道
MAX716
48000
-/24+
原装现货,可开专票,提供账期服务
MAX716
3588
-/2019+
原装 部分现货量大期货
MAX716
41101
-/-
大量现货,提供一站式配单服务
MAX716
17500
-/25+
货真、价实、城交
MAX716
65286
-/21+
全新原装现货,长期供应,免费送样
MAX716
63422
-/2215+
原装现货,可提供一站式配套服务
MAX71617ECD
39856
QFP100/23+
代理原装现货,特价热卖
MAX71617ECD
9500
QFP100/-
10年经销原装正品现货/假一赔十 支BOM配单
MAX71617ECD
96340
TQFP68/-
原厂渠道价格超过代理有更多数量
MAX71617ECD+
65428
TQFP120/22+
只做现货,一站式配单
MAX71617ECD+
5270
TQFP100/21+
-
MAX71617ECD+
887000
-/-
原厂发货进口原装微信同步QQ893727827
MAX71617ECD+
12500
TQFP100/24+
100%原装深圳现货
MAX71617ECD+
498
TQFP120/21+
原装现货
MAX71617ECD+
15922
/2423+
助力国营二十余载,一站式解决BOM配单,行业标杆企
MAX71617ECD+
8600
TQFP100/24+
进口原装现货,优势库存
MAX716CAI
8913
/23+
柒号芯城,离原厂的距离只有0.07公分
MAX716CAI
82000
NEW/NEW
一级代理-保证
MAX716CAI
9000
/21+
原厂渠道,现货配单

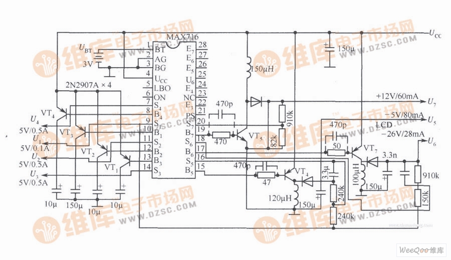
由MAX716构成的微处...
由max716构成的微处理器电源电路 来源:zhanbanbanzhan
下图是采用两个dc/dc变换器构成的微处理机电源电路,一个升压变换器,另一个极性反转变换器,用电感线圈替代变压器,电路结构非常简单。升压变换器max631输出+5v电压,仅外接一个电感线圈l1和一个滤波电容c1。极性反转变换器max635输出-5v电压,仅外接一个电感线圈l2,一个二极管vd和一个滤波电容c2。电路结构简单,但没有停止功能,不使用备用电源工作方式。 max716是片内有4个独立的输出5v的线性稳压器和3个dc/dc变换器的集成芯片,它构成的微处理机电源电路如下图。线性稳压器使用时,外接pnp晶体管vt1~vt4;dc/dc变换器使用时,外接晶体管vt5和vt6,或者为了提高变换效率而外接功率mosfet。使用fet时,其基极电阻与电容都可不接。 来源:阴雨