STR5412
7220
N/A/2024
上海原装现货库存,欢迎查询
STR5412
36500
TO3P5/20+
原装现货/放心购买
STR5412
80000
-/23+
原装现货
STR5412
80000
-/2024+
原装现货
STR5412
80000
ZIP5/2023+
一级代理,原厂排单到货,可开原型号13%专用发票
STR5412
5270
ZIP5/21+
-
STR5412
451
-/-
公司现货,进口原装热卖
STR5412
200
-/TO3P5
未公开
STR5412
2987
SIP/22+
原装优势房间现货可长期供货
STR5412
175125
ZIP5/24+
原装不仅销售也回收
STR5412
80000
-/23+
原装现货
STR5412
65428
ZIP5/22+
只做现货,一站式配单
STR5412
2157
MT200/22+
汇融科技/价格给力/实单必成
STR5412
12000
ZIP5/24+
只做原装,BOM表配单
STR5412
3557
SIP/2025+
全新原装、公司现货热卖
STR5412
2
ZIP5/24+
原装自家现货.82812579
STR5412
12100
-/20+
全新原装进口现货特价热卖,长期供货
STR5412
9465
SOP/DIP/23+
原装现货需要的加QQ3552671880 2987726803
STR5412
17500
SIP/25+
货真、价实、城交
STR5412
1
N/A/25+
回收此型号STR5412
str5412是开关稳压电源厚膜混合集成电路,为5脚单列直插式陶瓷封装,在康佳kk-t920b/t920c、东芝1893xh、日立ex-1873型彩电上的正常工作电压典型检测数据如表所列,用mf14型三用表测得(dc挡)。 表 str5412在康佳kk-t920b/t920c、东芝1893xh、日立ex-1873型彩电上的检测数据 来源:ks99
kwy5412是开关电源稳压电路,为5脚单列直插式封装,系仿国外同类产品生产的型号,可与str5412、hg5412、hkd5412等直接互换,其在东芝ta两片机芯(l851)上的正常工作电压典型检测数据如表所列,用mf14型三用表测得(dc挡)。 表 kwy541a在东芝ta两片机芯(l851)上的检测数据 来源:ks99
相关元件PDF下载:
开关电源STR5412电源


采用S...
STR5412是开关稳压电源厚膜混合集成电路,为5脚单列直插式陶瓷封装,在康佳KK-T920B/T920C、东芝1893XH、日立EX-1873型彩电上的正常工作电压典型检测数据如表所列,用MF14型三用表测得(DC挡)。
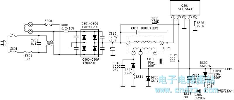
开关电源电路(单列5脚)
采用str5412组成的电源电路 采用str5412厚膜块的彩电在前几年用的很多,它属于热底板机芯。 振荡过程 c810上的300v直流电压经r811加到str5412的(2)脚内部开关管的b极,同时经t802的(1)、(4)绕组加到str5412的(1)脚内部开关管的c极,开关管开始导通,在t802的(1)、(4)脚产生感应电压,经t802耦合,在(7)、(8)绕组也产生感应电压,极性为(7)正(8)负,此正反馈电压经c811、r812加到str5412的(2)脚,使内部开关管电流进一步增大,强烈的正反馈使开关管迅速饱和。 开关管饱和后,t802(1)、(4)脚中的电流线性增大,电流从str5412的(4)脚,即开关管的e极流出,在c812上建立112v的直流电压,同时t802储存磁场能量。此时正反馈绕组对c811不断充电,使str5412(2)脚的电压不断下降,最后迫使str5412内部开关管退出饱和状态。 开关管退出饱和状态后,t802(1)、(4)脚中的电流减小,使t802各绕组的感应电压极性全部翻转,此时t802(7)、(8)绕组感应电压的极性为(8)正(7)负
采用str5412的电源电路如图所示。该电路由三部分组成。分别为振荡过程、稳压电路和保护电路。 其中振荡过程是一个从开关管饱和到开关管退出饱和状态再到开关管截止的往复振荡循环过程。稳压电路由内部自动完成。在保护电路中,d806为输出过压保护稳压管,若输出电压过高时,d806击穿,开关电源停振。 来源:bill