开云十大最新推荐

线性放大电路

放大电路静态工作点如何用对和用好

1. 前言 电子技术是一门一半实在一半虚无的东西,各种五花八门的电子元件是实实在在的,但要将它们搭构成我们想要的功能电路就较难,其中分析的各种电量更是让...

分类:线性放大电路 时间:2017-06-27 阅读:4832

嵌入式数据采集与终端电路设计详解

在信息迅速发展的今天,计算机信息技术已经成为一种主导技术,信息产业也成为主导的产业,信息产业已经成为当今社会一种新的经济增长点,为此,本文针对如何设计采集系统与...

分类:线性放大电路 时间:2015-11-25 阅读:7983

6N5P甲类推挽20W功放电路图

一、电路结构   本功放电路原理见图1,图中是一个声道的线路,另一声道完全相同。由V1构成输入电压放大级,V2构成倒相推动级,V3、V4构成推挽输出级。   由于前置输...

分类:线性放大电路 时间:2015-10-10 阅读:13300

放大器中射频干扰整流误差电路盘点

在实际应用中,必须处理日益增多的射频干扰(RFI),对于信号传输线路较长且信号强度较低的情况尤其如此,而仪表放大器的典型应用就是这种情况,因为其内在的共模抑制能力...

分类:线性放大电路 时间:2014-12-17 阅读:6067

5V单电源8通道数据采集系统电路设计

电路功能与优势:图1所示电路是一款高度集成、16位、1 MSPS、多路复用、8通道、灵活的数字采集系统(DAS),集成可编程增益仪表放大器(PGIA),能够处理全范围工业级信号...

分类:线性放大电路 时间:2014-11-29 阅读:5915

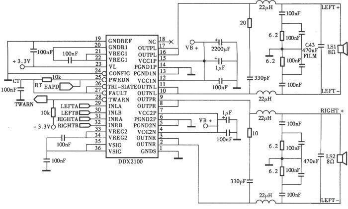
DDX-2100型数字功放电路图

DDX-2100型数字功放电路图

分类:线性放大电路 时间:2014-08-06 阅读:4805

基于AK4954A的立体声编解码器电路图

今天为大家介绍的是基于AK4954A的立体声编解码器电路图。大家都知道,AK4954A是一款32位低功耗立体声编解码器,一个麦克风,一个耳机和扬声器放大器。该输入电路包括一个麦...

分类:线性放大电路 时间:2014-03-07 阅读:6578

CFB放大器的应用原理电路

电流反馈 (CFB) 放大器大部分归属高速放大器范畴。近年来所推出的大量良好应用指南主要用来介绍应用电流反馈放大器的工作以及其中所遇到的主要问题。这里我们将通过简短...

分类:线性放大电路 时间:2014-02-08 阅读:4074

+15V差分放大器

系列稳压器采用差分放大器作为控制电路,其一边采用齐纳,另一边用输出电压部分。第二个齐纳管为差分对,提供粗略稳定电压。 来源:zhengwei

分类:线性放大电路 时间:2011-10-25 阅读:6790

改良前置放大器

将廉价频率计数器的低效输入电路替换掉,确保计数准确,DC大于60MHz。电路产生输入信号波形,P-P TEL水平电压为3.5V,同时提供所需的完美方波且降到频率输入信号。 来源:z...

分类:线性放大电路 时间:2011-10-25 阅读:5610

直接耦合前置放大器

电路提供频率响应,频率为0至1MHz,功率水平较低。用以驱动频率计数器CMOS逻辑。二极管保护过载输入。频率源的输出阻抗应保持在50K以下,以降低噪音探测。 来源:zhenglili

分类:线性放大电路 时间:2011-10-24 阅读:5585

0-3MHz前置放大器

提供宽频响应,用于放大5V 电平的100mV pp输入信号,驱动频率计数器的CMOS逻辑。 来源:zhengwei

分类:线性放大电路 时间:2011-10-24 阅读:5300

60kHz WWVB前置放大器

该电路安装在环形天线内,用以增加60kHz标准频率播放强度,同时足够驱动数字频率计数器,电路已在文中给定。虽然结构细节适用于双铜防护54英寸直径圆形环,前置放大器也可...

分类:线性放大电路 时间:2011-10-24 阅读:6181

RIAA前置放大器

该电路主要为低于318赫兹低频提供提升和高于3150赫兹提供高频衰减。最近修改的响应标准包括一个31.5Hz的峰值增益区域,以减少外部振动引起的DC失真。 来源:zhenglili

分类:线性放大电路 时间:2011-10-24 阅读:6567

音频NAB磁带回放前置放大器

该前置放大器提供低频可增加至50Hz,平坦响应至3kHz,高频衰减为3千赫以上。通过调节R1和R2,可以实现磁带和磁头的性能变化补偿。 来源:ruanjuqingsi

分类:线性放大电路 时间:2011-10-24 阅读:6667

分离电源唱机前置放大器

低噪声电路采用LM1303提供RIAA响应,其工作电源电压范围为±4.5到±15V。0dB参考增益(1kHz)约为34分贝。磁墨盒产生输入。 来源:panyueyingying

分类:线性放大电路 时间:2011-10-24 阅读:6481

平衡前置放大器

电感磁墨盒提供低频提升和RC网络一起得出近似的理论上的RIAA或NBA补偿,且由补偿开关位置决定。选择输入电阻为墨盒指定加载。输出噪声约0.8m VRMS,输入短路保护。 来源:p...

分类:线性放大电路 时间:2011-10-23 阅读:7174

磁性碳粉盒前置放大器(一)

立体声装置使用双运放,其另外一半连接也相同,但引脚数字变为括号中的数字:6(5),5(8),3(11),4(10),和1(13)。 来源:zhengyuan

分类:线性放大电路 时间:2011-10-23 阅读:4388

输入缓冲前置放大器

用于每个立体声通道的墨盒和前置放大器之间,使留声机前置放大器比较测试更接近独立墨盒和电缆电容。缓冲区47K,终止墨盒并与01平行。缓冲区可以作为声波参考,用以比较前...

分类:线性放大电路 时间:2011-10-23 阅读:4326

立体声磁拾音器前置放大器

单斯普拉格ULN-2126A IC接受低阻抗磁墨盒,并提供2W输出电源,驱动商业立体声功率放大器。该电路包括平衡控制和所有音调控制以及音量控制。 来源:zhenglili

分类:线性放大电路 时间:2011-10-23 阅读:8730

OEM清单文件: OEM清单文件
*公司名:
*联系人:
*手机号码:
QQ:
有效期:

扫码下载APP,
一键连接广大的电子世界。 

在线人工客服

买家服务:
卖家服务:
技术客服:

0571-85317607

网站技术支持

13606545031

客服在线时间周一至周五
9:00-17:30 

关注官方微信号,
第一时间获取资讯。

建议反馈

联系人:

联系方式:

按住滑块,拖拽到最右边
>>
感谢您向阿库提出的宝贵意见,您的参与是维库提升服务的动力!意见一经采纳,将有感恩红包奉上哦!